单相双极带差模
单相双极带差模滤波器供应商

单相双极带差模

● 两级共模加差模高性能电源滤波器。
● 泄漏电流小。
● 底板式安装,简单方便。
● 大多数数字设备(尤其开关电源),
● 可用来抑制连续或间隙性脉冲干扰,
● 尤其适用于低阻抗负载场合。
产品详情

特 点 Features

● 两级共模加差模高性能电源滤波器。Two stage common mode plus

differential mode high performance power filter.

● 泄漏电流小。The leakage current is small.

● 底板式安装,简单方便。Bottom plate installation, simple and convenient.


应 用 Application

● 大多数数字设备(尤其开关电源),可用来抑制连续或间隙性脉冲干扰,尤其适用于低阻抗负载场合


性能指标 Characteristcs

额定电压Rated voltage

250VAC,50/60Hz;250VDC

工作频率 Operating Frequency

DC~400Hz

额定电流Rated curren

1A~100A@40℃max.

耐压试验 (60s) Test Voltage

1500VDC(线-线Line - line) 1500VAC(线-地Line - ground)

3000VDC/2S

气候类别 Climate category

25/100/21

产品型号表 Filter Table

型号

model

接线方式:输入输出

额定电流A

Rated curren

MAX泄漏电流mA

leakage current

放电电阻KΩ

resistance

电路图Fig.

Circuit diagram

外形尺寸Fig.

Outline Drawing

03e7071b0fd6e523deab48b5f0d89ea.png

8f5d0b3be0b8e64982cef963e7d950f.png

f72c46a7074547a11ea9a382e8e8df8.png

YX-213-1-

TT



1

0.5

1000

1

1

YX-213-6-

TT



6

0.5

1000

1

1

YX-213-10-



SS

10

0.5

1000

1

2

YX-223-15-


WW

SS

15

0.5

1000

2

3

YX-223-20-


WW

SS

20

0.5

1000

2

3

YX-223-30-


WW

SS

30

0.5

1000

2

3

YX-223-40-



SS

40

0.8

680

2

3

YX-223-100-



SS

100

1.0

1000

2

3

电原理图Typical Circuit Diagram


电原理图

Fig.1 Fig.2


插入损耗 Insertion LOSS in dB (50Ω测量系统,IEC/CISPR No.17号出版物)


插入损耗


1A~6A 10A 15A


插入损耗


20A 30A 40A


插入损耗76db6a6332612d702adae0777f8f5ca.png


100A



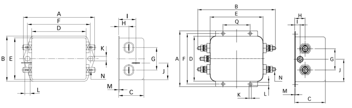
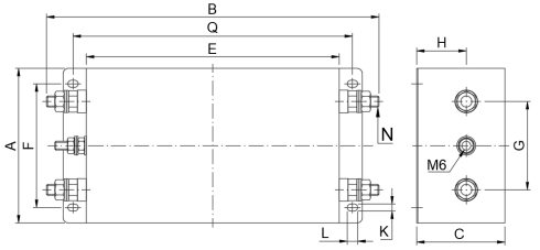
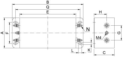
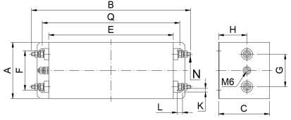
外形尺寸图 Outline Drawing : mm


外形尺寸图

Fig.1 (1A~6A) Fig.2 (10A)



4d99dde41c1644ccebdf275ad10a4f1.png

Fig.3 (15~30A)



db022ad419a49a45cfe3af987e2683a.png

Fig.4 (40A)



0ca2667454e1da9a34aeeb0458e06fe.png

Fig.5 (100A)


外形尺寸Fig.

A

B

C

D

E

F

G

H

I

J

K

L

M

N

1 (1A)

85

54

30.3

64.8

49.8

75

27

12.3

20.8

19.9

5.3

6.3

0.7

6.3×0.8

1 (6A)

113.5

57.5

45.4

94

56

103

25

12.4

32.4

15.5

4.4

6

0.7

6.3×0.8

2 (10A)

105

134.5

38.5

84

98.5

95.3

38

19

19

42

6.5

4.5

1

M4

3 (15~30A)

86

202

58


160

60

42

36



6.4

9.4

1

M4

4 (40A)

100

280

90


220

70

58

50



6.4

9.4

1

M6

5 (100A)

125

280

90


220

96

81

50



6.4

9.4

1

M8


关键词
关联产品
立即咨询
姓名*
电话*
邮箱
留言内容*
验证码*
  
其他产品
热门产品