您的位置: 主页   产品中心   信号滤波器  电话、传真、交直流开关信号、 消防、烟感、温感、门禁信号滤波器
电话、传真、交直流开关信号、 消防、烟感、温感、门禁信号滤波器
屏蔽机房信号滤波器

电话、传真、交直流开关信号、 消防、烟感、温感、门禁信号滤波器

屏蔽房内的电话、网络、空调、消防、对讲门铃、
音频、视频等信号的传输和报警控制系统
屏蔽机柜内USB、DB9、VGA、网络接口的数据通信
产品详情

特 点 Features

● 体积小,性价比高。Small size, high cost performance.

● 金属壳体采用镀镍钢板和不锈钢大盖板组合式结构,美观大气,机械强度高,耐腐蚀性强。

The metal shell adopts the combined structure of nickel plated steel plate and stainless steel large cover plate, which is beautiful and atmospheric, with high mechanical strength and strong corrosion resistance.


应 用 Application

● 屏蔽房内的电话通信、网络数据通信、空调控制、消防报警、对讲门铃、音频、视频等信号的传输和报警控制系统。

Telephone communication, network data communication, air conditioning control, fire alarm, intercom doorbell, audio, video and other signal transmission and alarm control system in shielding room.

● 屏蔽机柜内USB、DB9、VGA、网络接口的数据通信。

Shield the data communication of USB, DB9, VGA and network interface in the cabinet.


产品型号表 Filter Table

型号

model

电压

voltage

额定电流A

Rated curren

线数

Number of lines

通带

Passband

外形尺寸Fig.

Outline Drawing

适用范围

application

YX-XH2-MJ

250VAC

1.2

2

100KHz

1

门禁信号Access control signal

YX-XH-SP

100VDC

0.5

1

6MHz

2

视频监控信号Video monitoring signal

YX-XH2-DH

250VDC

0.5

2

20KHz

3

电话、传真、交直流开关信号

Telephone, fax, AC / DC switch signal

YX-XH2-XF

250VAC

1.2

2

100KHz

3

消防报警Fire alarm

YX-XH2-YP

100VDC

0.5

2

100KHz

3

语音广播Voice broadcasting

YX-XH2-KT

250VAC

3

2

/

3

空调控制Air conditioning control

YX-XH4-KT

250VAC

3

4

/

3

空调控制Air conditioning control

YX-Z8-F

100VDC

0.5

8

1000MHz

3

速率100M或1000Mbit/s的网络数据通信B级屏效

YX-XH8-WX

100VDC

0.5

8

1000MHz

4

速率100M或1000Mbit/s的网络数据通信C级屏效

YX-Z2-F

250VAC

3

2

/

5

门禁电源Access control power supply

YX-VGA

100VDC

0.5

13

100MHz

6

VGA数据接口data interface

YX-DB9

100VDC

0.5

9

100MHz

7

DB9数据接口data interface

YX-2×USB

100VDC

0.5

2

100MHz

8

USB数据接口data interface

YX-2×RJ45

100VDC

0.5

2

100MHz

9

网络数据通信Network data communication

YX-XH100-DH-10

100VDC

0.5

100

20KHz

10

50路集成电话Integrated telephone


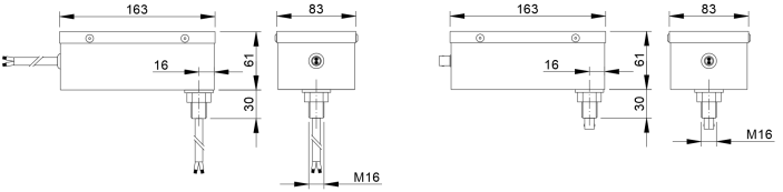
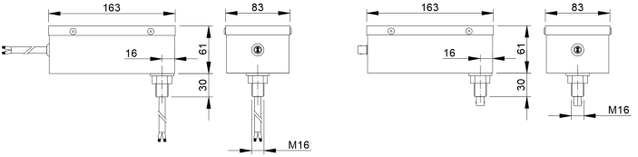
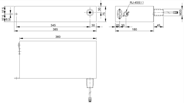
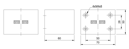
外形尺寸图 Outline Drawing : mm


Fig.1空调信号滤波器Fig.2


Fig.3电话信号滤波器Fig.5


Fig.4传真信号滤波器



Fig.6消防信号滤波器


Fig.7烟感信号滤波器


Fig.8温感信号滤波器


Fig.9门禁信号滤波器


Fig.10信号滤波器


注:更多接口类型、线数及参数请咨询公司工程部,进行定制。


关联产品
立即咨询
姓名*
电话*
邮箱
留言内容*
验证码*
  
其他产品
热门产品